Chapter 4 Spectroscopy¶
EDS Detector Efficiency¶
part of
MSE672: Introduction to Transmission Electron Microscopy
Spring 2024
| Gerd Duscher | Khalid Hattar |
| Microscopy Facilities | Tennessee Ion Beam Materials Laboratory |
| Materials Science & Engineering | Nuclear Engineering |
| Institute of Advanced Materials & Manufacturing | |
The University of Tennessee, Knoxville | |
Background and methods to analysis and quantification of data acquired with transmission electron microscopes.
import sys
import importlib.metadata
def test_package(package_name):
"""Test if package exists and returns version or -1"""
try:
version = importlib.metadata.version(package_name)
except importlib.metadata.PackageNotFoundError:
version = '-1'
return version
if test_package('pyTEMlib') < '0.2024.2.3':
print('installing pyTEMlib')
!{sys.executable} -m pip install --upgrade pyTEMlib -q
print('done')done
First we import the essential libraries¶
All we need here should come with the annaconda or any other package
%matplotlib widget
import matplotlib.pyplot as plt
import numpy as np
import sys
import os
if 'google.colab' in sys.modules:
from google.colab import output
from google.colab import drive
output.enable_custom_widget_manager()
from pyTEMlib.xrpa_x_sections import x_sections
__notebook_version__ = '2023.01.22'
print('notebook version: ', __notebook_version__)You don't have igor2 installed. If you wish to open igor files, you will need to install it (pip install igor2) before attempting.
Using kinematic_scattering library version 0.2022.1.0 by G.Duscher
notebook version: 2023.01.22
Bremsstrahlung and EDS Background¶
At low energies, the Bremsstrahlung above does not look anything like the background we obtain in the EDS spectrum.
This is due to the response of the EDS detector system
.
Detector Response¶
The detector response depends on the material. The detected X-ray photons need to be absorbed in the Si detector. This absorption is then dependent on the silicon aborption coefficients (per energy). Everything that absorbs X-ray photons before it reaches the detector crystal will weken the signal according to the photoabsorption in that material layers. Obviously we want to keep the thicknesses of those layers as thin as possible.
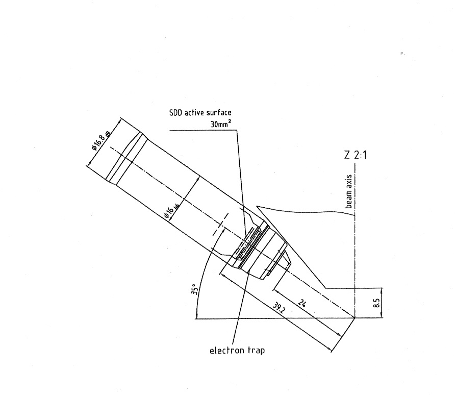
Let’s look at the design of a detector:


For the detector there is actually only one type common anymore (the liquid notrogen cooled Si(Li) detectors are phased out) and that is the Silicon droft detector (SDD):

In front of the detector is usually a window. Only high vacuum system can have a window-less system otherwise ice would build up on the Peltier-cooled detector crystal. This window is rather fragile and relative expensive to replace so be carfull with handling the detector system on that end.

Signal - Photoelectric absorption of X-ray photon.¶
Whole energy of X-ray photon is transferred to inner shell electron of a silicon atom.
This ejected electron has now the kinetic energy of the X-ray photon minus its binding energy in the atom (K: 1838 eV, L: 98 eV)
The ejected electron undergoes inelastic scattering and creates electron hole pairs (valence to conduction band) in the process (besides other effects)
Charge generation process requires about 3.6 eV per electron hole pair
So the number of created charge carriers is proportional to the original photon energy :
Detector Efficiency¶
Photoabsorption¶
If we only look at the crystal we see that we have a contact and the Silicon crystal. However there is also a thin deadlayer on the top of the crystal that will absorb X-rays without detecting it. We will talk more about detectors in the EDS resolution section
Detection and wekening of the signal through absorption are both governed by photoabsorption cross section.
The mass absorption coefficiencts (a function of energy) are taken from the Mass Absorption Coefficients from NIST
Select the element and as Type of Data select Mass Photoabsorption Coefficient (cm^2/g)
I collected all the data in a pickled dictionary which we open below and then test the content.
shell_occupancy={'K1':2, 'L1':2, 'L2':2, 'L3':4, 'M1':2, 'M2':2, 'M3':4,'M4':4,'M5':6,
'N1':2, 'N2':2,' N3':4,'N4':4,'N5':6, 'N6':6,'N7':8,
'O1':2, 'O2':2,' O3':4,'O4':4,'O5':6, 'O6':6,'O7':8, 'O8':8, 'O9': 10 }
Z = 14
print(f"Edges of {x_sections[str(Z)]['name']}:")
for key in x_sections[str(Z)]:
if key in shell_occupancy.keys():
print(f"{key:3s}: {x_sections[str(Z)][key]['onset']/1e3:.3f} keV")
plt.figure()
plt.plot( x_sections[str(Z)]['ene']/1000., x_sections[str(Z)]['dat']/x_sections[str(Z)]['photoabs_to_sigma']/1e10*0.1)
plt.xlim(0,3)
plt.ylim(0,1.2e4)
plt.xlabel('energy [keV]')
plt.ylabel('$\mu$ [m$^2$/kg]')
plt.title('Silicon Photoabsorption Cross-Section')
plt.tight_layout();Detector Efficiency¶
Absorption¶
Absorption probability is related t the mass aborption coefficient with:
with
: initial intensity of X-rays
: intensity of X-rays after going through thickness
: density of material
Detector¶
The detector response is given by Small et al. as: Here, we assume the contact to be Al and the dead layer is of course Si like the detector crystal:
import pickle
pkl_file = open('data/ffast.pkl', 'rb')
ffast = pickle.load(pkl_file)
pkl_file.close()x_sections['14'].keys(), ffast[14].keys()
(dict_keys(['name', 'barns', 'NumEdges', 'atomic_weight', 'nominal_density', 'photoabs_to_sigma', 'lines', 'fluorescent_yield', 'total_fluorescent_yield', 'M2', 'M1', 'L3', 'L2', 'L1', 'K1', 'ene', 'dat']),
dict_keys(['element', 'Z', 'atomic_weight', 'nominal_density', 'photoabs_to_sigma', 'f2_to_eV', 'number_of_edges', 'edges', 'E', 'f1', 'f2', 'photoabsorption', 'coh+incoh', 'total', 'lines']))plt.figure()
plt.plot(ffast[14]['photoabsorption'][5:100]*1e10/x_sections['14']['dat'][5:100])
#plt.plot(ffast[14]['photoabsorption']*1e10)from scipy.interpolate import interp1d
import scipy.constants as const
## layer thicknesses of commen materials in EDS detectors in m
nickelLayer = 0.* 1e-9 # in m
alLayer = 30 *1e-9 # in m
goldLayer = 0.* 1e-9 # in m
deadLayer = 100 *1e-9 # in m
detector_thickness = 45 * 1e-3 # in m
area = 30 * 1e-6 #in m2
oo4pi = 1.0 # / (4.0 * np.pi)* np.radians(10)*2
#We make a linear energy scale
energy_scale = np.linspace(.1,60,1199)*1000
## interpolate mass absorption coefficient to our energy scale
photoabsorption = x_sections['14']['dat']/1e10/x_sections['14']['photoabs_to_sigma']
lin = interp1d(x_sections['14']['ene'], photoabsorption,kind='linear')
mu_Si = lin(energy_scale) * x_sections['14']['nominal_density']*100. #1/cm -> 1/m
## interpolate mass absorption coefficient to our energy scale
photoabsorption = x_sections['13']['dat']/1e10/x_sections['13']['photoabs_to_sigma']
lin = interp1d(x_sections['13']['ene'], photoabsorption,kind='linear')
mu_Al = lin(energy_scale) * x_sections['13']['nominal_density']*100. #1/cm -> 1/m
detector_Efficiency1 = np.exp(-mu_Al * alLayer)* np.exp(-mu_Si * deadLayer) * oo4pi
detector_Efficiency2 = (1.0 - np.exp(-mu_Si * detector_thickness)) * oo4pi;
detector_Efficiency =detector_Efficiency1 * detector_Efficiency2/ oo4pi;
plt.figure()
#plt.plot(energy_scale/1000, detector_Efficiency*100, label = 'detector efficieny', color = 'red')
plt.plot(energy_scale/1000, detector_Efficiency1*100, '--', label = 'deadlayer and contacts', color = 'blue')
plt.plot(energy_scale/1000, detector_Efficiency2*100, '--',label = 'crystal efficiency' , color = 'orange')
plt.xlabel('energy [keV]')
plt.ylabel('efficiency [%]')
plt.title('SDD Detector Efficiency')
plt.ylim(60,105)
plt.legend();energy_scale[35], detector_Efficiency[35](np.float64(1849.9999999999998), np.float64(0.9053161234465129))We see that the detector efficiency drops off after our maximum acceleration voltage of 30 keV in the SEM.
The background Bremsstrahlung will be absorbed at low energies as we expected.
Play around with the thickness values of the contact and deadlayer.
What has the biggest impact?
Effective Background¶
Z = 26
E_0 = 30 # keV
Z2 = 26
E_02 = 10
K = -4000
I = 1
E = energy_scale/1000 #= np.linspace(.1,30,2048) #in keV
N_E = I*K*Z*(E-E_0)/E
N_E2 = I*K*Z2*(E-E_02)/E
plt.figure()
plt.plot(energy_scale/1000, N_E, '--', color = 'blue');
plt.plot(energy_scale/1000, N_E*detector_Efficiency , color = 'blue', label = f'Z = {Z} and E$_0$ = {E_0} keV');
plt.plot(energy_scale/1000, N_E2, '--', color = 'red', label = f'Z = {Z2} and E$_0$ = {E_02} keV');
plt.plot(energy_scale/1000, N_E2*detector_Efficiency, color = 'red');
plt.axhline(y=0., color='gray', linestyle='-', linewidth = 0.5);
plt.xlim(0,3)
plt.legend();
plt.ylabel('intensity [a.u.]')
plt.xlabel('energy [keV]');In the curve above the change at the lower energiers is now as we expect it.
Please check the slope at about 1.8 keV which is caused by the Si-K edge absorption fo the deadlayer.
Change the values of Z2 and the acceleration voltage E_02 of the second curve to see the effects.
Effect of Window¶
So far we have ignored the effect of the window in front of the X-ray detector. This window consists mostly of carbon being manufactured from polymer in a modern detector system. The exact composition is necessary to determine the effective background in an EDS spectrum.
C_window = .0* 1e-6 # in m
## interpolate mass absorption coefficient to our energy scale
photoabsorption = x_sections['6']['dat']/x_sections['6']['photoabs_to_sigma']
lin = interp1d(x_sections['6']['ene'], photoabsorption,kind='linear')
mu_C = lin(energy_scale) * x_sections['6']['nominal_density']*100. #1/cm -> 1/m
window_Absorption = np.exp(-mu_C * C_window)
plt.figure()
plt.plot(energy_scale/1000, N_E, '--', color = 'blue', label = 'Incoming Flux');
plt.plot(energy_scale/1000, N_E*detector_Efficiency , color = 'blue', label = f'Detector');
plt.plot(energy_scale/1000, N_E*detector_Efficiency * window_Absorption, color = 'red', label = f'Detector and Window');
plt.axhline(y=0., color='gray', linestyle='-', linewidth = 0.5);
plt.xlim(0,3)
plt.legend();
plt.ylabel('intensity [a.u.]')
plt.xlabel('energy [keV]');
Background Slope at High Energies¶
While Kramers law gives the approximate shape of the background, the exact slopes is not reproduced. Several authors intorduced a parametrized function of the Bremsstrahlung efficiency.
E = energy_scale/1000
Z = 26
E_0 = 30
a = [0, -73.9,1,2446,36.502,148.5, 0.1293,-0.006624,0.0002906]
g = np.sqrt(Z)* (E_0-E)/E *(a[1]+a[2]*E+a[3]*np.log(Z)+a[4]*E**a[5]/Z)*(1+(a[6]+a[7]*E_0)*Z/E)
a = [0,54.86,1.072, 0.2835, 30.4,875,-0.08]
g2 = np.sqrt(Z)* (E_0-E)/E *(a[1]+a[2]+a[3]*E_0 +a[4]*np.log(Z)+a[5]*E_0**a[6]/Z**2)
b = [2000,-.6]
f = (b[0]+b[1]*E_0)*Z/E
plt.figure()
plt.plot(E,g2, label = 'parametrized')
plt.plot(E,N_E/100, label = 'Kramer')
plt.plot(E,g2*detector_Efficiency,label = 'parametrized with Detector')
plt.xlim(0,5)
plt.xlabel('energy (keV)')
plt.legend();Fitting Background¶
Neither Kramer’s Law nor any of the parametrized versions of the Bremsstrahlung are usefull for fitting.
The following expression is used for fitting purposes:
in which we have the fitting parameters () of a polynomial of the overvoltage.
p = [10, 26, 10]
E = E
N = detector_Efficiency * (p[0] + p[1]*(E_0-E)/E + p[2]*(E_0-E)**2/E)
plt.figure()
plt.plot(E,N_E/200*detector_Efficiency)
plt.plot(E,N)
plt.xlim(0,4)Now we put all of that together¶
and make a function:
The input is in the form of a dictionary.
We note that we have several layers that reduce the efficiency and that the detector crystal itself is not really that importantfor the acceleration voltages in an SEM.
energy_scale = np.linspace(.1,60,1199)*1000
tags = {}
tags['acceleration_voltage_V'] = 30000
tags['detector'] ={}
tags['detector']['layers'] ={}
## layer thicknesses of commen materials in EDS detectors in m
tags['detector']['layers']['alLayer'] = {}
tags['detector']['layers']['alLayer']['thickness'] = 30 *1e-9 # in m
tags['detector']['layers']['alLayer']['Z'] = 13
tags['detector']['layers']['deadLayer'] = {}
tags['detector']['layers']['deadLayer']['thickness'] = 100 *1e-9 # in m
tags['detector']['layers']['deadLayer']['Z'] = 14
tags['detector']['layers']['window'] = {}
tags['detector']['layers']['window']['thickness'] = 0.0 *1e-9 # in m
tags['detector']['layers']['window']['Z'] = 6
tags['detector']['detector'] = {}
tags['detector']['detector']['thickness'] = 45 * 1e-3 # in m
tags['detector']['detector']['Z'] = 14
tags['detector']['detector']['area'] = 30 * 1e-6 #in m2
## interpolate mass absorption coefficient to our energy scale
def detector_response(detector_definition,energy_scale):
response = np.ones(len(energy_scale))
for key in detector_definition['layers']:
Z = detector_definition['layers'][key]['Z']
t = detector_definition['layers'][key]['thickness']
photoabsorption = x_sections[str(Z)]['dat']/1e10/x_sections[str(Z)]['photoabs_to_sigma']
lin = interp1d(x_sections[str(Z)]['ene'], photoabsorption,kind='linear')
mu = lin(energy_scale) * x_sections[str(Z)]['nominal_density']*100. #1/cm -> 1/m
absorption = np.exp(-mu * t)
response = response*absorption
Z = detector_definition['detector']['Z']
t = detector_definition['detector']['thickness']
photoabsorption = x_sections[str(Z)]['dat']/1e10/x_sections[str(Z)]['photoabs_to_sigma']
lin = interp1d(x_sections[str(Z)]['ene'], photoabsorption,kind='linear')
mu = lin(energy_scale) * x_sections[str(Z)]['nominal_density']*100. #1/cm -> 1/m
response = response*(1.0 - np.exp(-mu * t))# * oo4pi;
return(response)
p = [10, 26, 10]
def EDS_Background(p,tags,energy_scale):
E_0= tags['acceleration_voltage_V']
detector_efficiency = detector_response(tags['detector'],energy_scale)
E = energy_scale
N = detector_efficiency * (p[0] + p[1]*(E_0-E)/E + p[2]*(E_0-E)**2/E)
return N
background = EDS_Background(p,tags,energy_scale)
plt.figure()
plt.plot(energy_scale/1000, background)
plt.xlim(0,4)
plt.xlabel('energy (keV)')Navigation¶
Back: Characteristic X-Rays
Next: Analyze Spectrum
Chapter 4: Spectroscopy
List of Content: Front